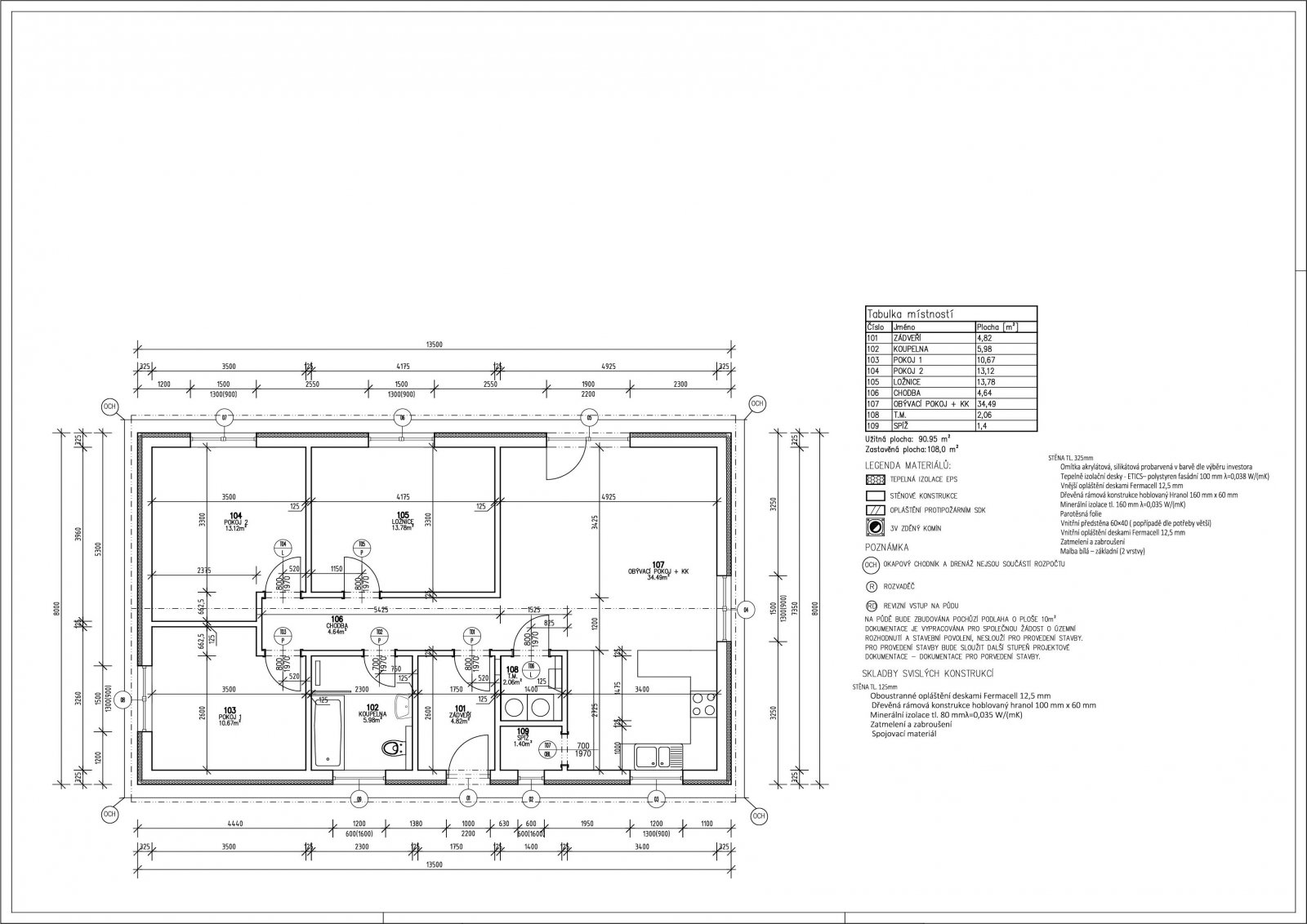
RD ÚSTÍN Dokončené stavby PROJEKTOVÉ INFORMACE Dispozice4+kk Zastavěná plocha 108 m2 Celková užitková plocha90,95 m2