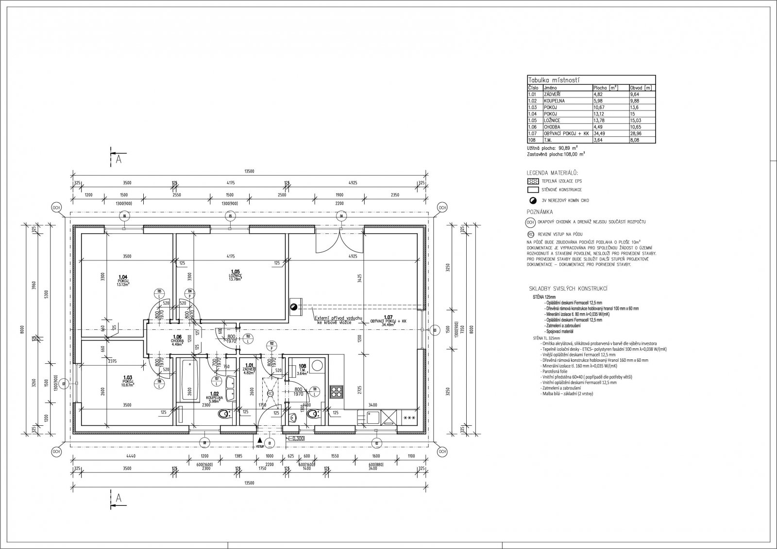
RD LÍŠNICE U MOHELNICE 2 Dokončené stavby PROJEKTOVÉ INFORMACE Dispozice4+kk Zastavěná plocha108 m2 Celková užitková plocha90,89 m2